友情链接
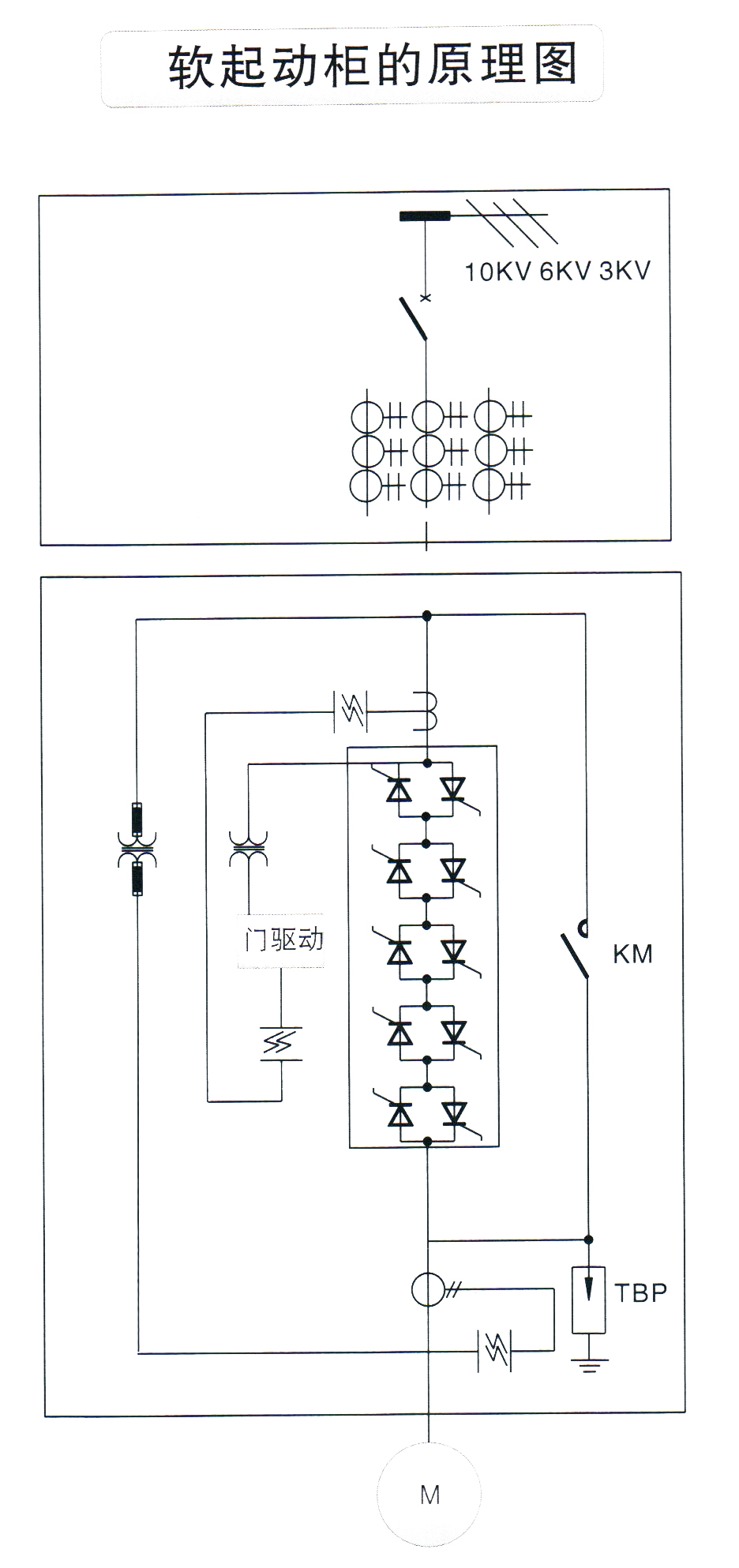
高压固态软启动器装置

GSK-Y高压固态软启动装置

首页公司简介新闻中心产品中心工程案例招聘中心客户留言联系我们

地址:西安市高新区新城产业园新科路2号4幢3层317号

版权所有   陕ICP备15011632号 

联系电话:029-82284406 传真:029-82284407  E-mail:xiansuoken@163.com

 陕公网安备61010202000419号    技术支持:兄弟网络